复合圆锥破碎机安装时要注意哪些事项?
圆锥破碎机型号、规格很多,按原理和结构不同,一般可以分为:复合型圆锥破碎机(也叫液压型)、弹簧型圆锥破碎机、多缸圆锥破、单缸圆锥破等型号,各个生产厂家对规格的定义叫法也不同,但其工作原理基本都类似,就是尺寸上有点不同罢了。

复合圆锥破碎机
今天本站给大家分享一下复合圆锥破碎机安装资料,内容包括七个方面:安装前的基础设计、安装预留空间尺寸注意事项、圆锥破各部件重量参数、圆锥破安装维护所需起重吊机种类、圆锥破进料口装置安装和排料口装置安装注意事项,详细如下:
一、安装前的基础设计
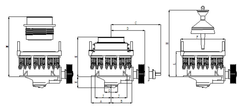
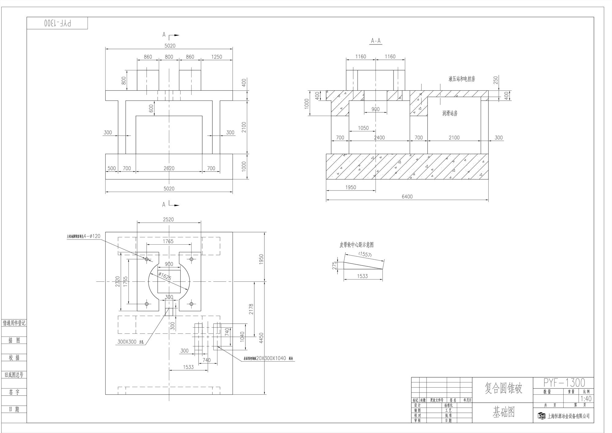
圆锥破碎机在工作时振动频率很快、很高,因此需要设计一个具有相当大小适合的基础,不仅要有足够的空间,而且需要规划一个经久耐用并且坚固的基础来保障设备后期的正常运行,破碎机外形尺寸是基础结构要考虑的主要参数(见图一:复合圆锥破碎机外形图,表一:外形尺寸表)。厂家在出售圆锥破时,随机会提供给用户一个基础施工图,以便用户在基础施工时可以参考。但在基础实际施工时,还是要根据自身场地来作适当的调整,不能完全照搬,基础设计的合理对圆锥破碎机后期成功运转是极其重要的一个步骤,一定要慎重周密的考虑(见图二:复合圆锥破基础图)。

图一:复合圆锥破碎机外形图
表一:复合圆锥破碎机外形尺寸表
| 标准型和 短头型 | 圆锥破碎机规格 | PYF-600 | PYF-900 | PYF-1300 | PYF-1600 | PYF-2100 | |
| 破碎机中心线至机架法兰 | A | 685 | 840 | 1020 | 1450 | 1655 | |
| 破碎机中心线至传动轴架法兰面 | B | 660 | 890 | 1120 | 1400 | 1780 | |
| 拆卸传动轴架部所需水平空间 | C | 2010 | 2515 | 2900 | 3510 | 4320 | |
| 破碎机中心线至传动轴外端面 | D | 1550 | 1860 | 2050 | 2465 | 2975 | |
| 机架基面至底盖最低点 | E | 355 | 460 | 640 | 815 | 1050 | |
| 支承套最大直径 | F | 1450 | 2010 | 2500 | 3280 | 4270 | |
| 底盖直径 | G | 430 | 560 | 690 | 815 | 915 | |
| 拆卸破碎锥所需空间高度 | H | 2135 | 2800 | 3530 | 4270 | 5465 | |
| 地脚螺钉位置尺寸 | J | 495 | 660 | 883 | 1130 | 1245 | |
| 机架基面至给料斗顶部 | K | 1195 | 1730 | 2300 | 2690 | 3300 | |
| 机架基面至支承套顶部 | L | 865 | 1070 | 1320 | 1550 | 1960 | |
| 拆卸调整套所需空间高度 | M | 1625 | 2390 | 3320 | 3810 | 4780 |

图二:复合圆锥破碎机基础图
二、安装预留空间尺寸注意事项
1、首先要在圆锥破上方留有足够的空间,以便可以拆卸圆锥破和调整套部件,方便后期的维护和更换;
2、在基础的一侧,要预留出一定的空间,以便能方便的拆卸圆锥破传动轴部件;
3、在圆锥破上方45°—60°方向,应考虑给料装置所需的空间,比如溜槽、给料漏斗及其它辅助设备所需的空间;
4、在圆锥破排料口下方,应预留一定空间,以便安装排料口装置、排料输送机及其它相关设备。
以上几点注意事项的依据可以参考厂家提供的设备外形图和基础图(见图一、图二)
四、圆锥破各部件重量参数
下面表二就是恒源PYF复合圆锥破碎机各部件的重量表,该表给出了整台圆锥破部件的重量和需要经常吊装的部件重量,以供用户参考,以便可以计算出所要求的起重设备规格,包括所用的钢丝绳、吊钩和吊具等型号规格。
表二:PYF1300圆锥破部件重量表
注:因铸件重量差异,表列重量会有±5%的误差
|
圆锥破本体和 需要经常吊装的部件重量 |
标准型圆锥破碎机(kg) | 短头型圆锥破碎机(kg) |
| 圆锥破碎机本体重量 | 22460 | 22590 |
| 主机架、支承套、弹簧、偏心套、碗形轴承架、传动、破碎机皮带轮 | 13930 | 13930 |
| 主机架、支承套、弹簧 | 10980 | 10980 |
| 主机架(含机架底盖、机架衬套和机架衬) | 5490 | 5490 |
| 调整套、轧臼壁 | 4900 | 4350 |
| 躯体、主轴和破碎壁 | 3630 | 4310 |
| 传动轴架、传动轴和破碎机皮带轮 | 1270 | 1270 |
| 偏心套部 | 1050 | 1050 |
| 碗形轴承架 | 640 | 640 |
| 破碎壁 | 770 | 590 |
| 轧臼壁 | 910 | 680 |
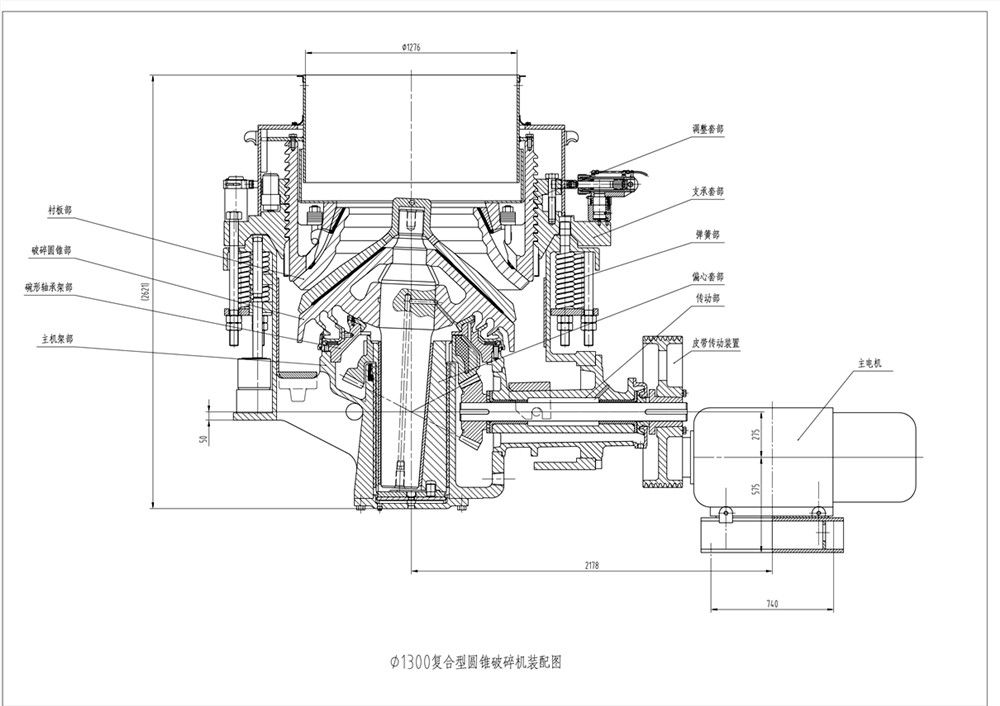
同时,技术人员也给出了复合圆锥破的装配图(见下面图三),以便用户在装配设备时可以参考圆锥破内部结构。

图三:复合圆锥破碎机装配图
五、圆锥破及各部件安装维护所需的起重吊机种类
圆锥破在安装或更换破碎衬板或其它磨损件时,需要经常使用吊机(起重设备),常见的有桥式起重机、轮胎式起重机、轨道式移动起重机或吊链电动葫芦等设备,因此在设计基础和设备上方起重设备时,必须要考虑圆锥破各部件的重量要在起重范围以内,不得超过起重设备的最大起重负荷。

六、圆锥破进料口装置安装注意事项
1、进料口安装注意事项
(1)在圆锥破上方安装有一个合理高效的给料装置,对于破碎机能否高效运行起到至关重要的作用。如果给料量合适,能够实现把料均匀布满整个圆锥破破碎腔,机器就能实现最高效率;而且在设备维护检修时,给料装置的安装结构要便于拆卸,因此参照基础图和外形图要合理的设计入料装置。
(2)在给料时,给料装置能使细料和粗料的偏析(大小不一)保持在最低程度,以最大限度地延长圆锥破衬板的使用寿命,也能使单位能量消耗降到最低。
(3)条件允许的情况下,在圆锥破的前面设置一台振动筛,以便从破碎的物料中筛去细料和粘性物料,能避免物料夯实造成排矿口堵塞和弹簧过分压缩,造成破碎机频繁超载,破碎效率降低。
(4)装上一台金属探测器,以便拣出铁块之类的不可破异物,这些不可破异物会引起支承套跳动,频繁过铁或超载,会导致弹簧频繁动作,还使弹簧过早失效。
在给料装置图(图四)中,给出了正确的和不正确的给料方法和给料箱结构

2、如图所示,两种给料结构方式造成的不同结果如下:
(1)给料偏向给矿口上侧,造成布料不均匀,布料不均匀的后果是:降低圆锥破的生产能力;产品粒度过大;支承套跳动过大;轴承负荷过大;单位产品功耗过大。
(2)给料沿破碎腔四周均匀分布,布料均匀的好处是:破碎机能发挥出其最大生产能力;产品粒度很均匀;支承套不跳动,偶尔跳动也很小;轴承负荷小;功耗消耗最低。
七、圆锥破排料口装置安装注意事项
1、一般情况下,圆锥破排料口装置需要用户自己按照现场安装条件的变化而自行设计,但其机构应符合厂家提供的基础图要求;
2、排料口装置一般可采用金属也可以用木头制作;
3、排料室必须留有检查门,以便让维护人员进入排料室进行清扫或检修用;
4、排料室由室壁和搁板组成,其作用是让已破碎物料落在那儿形成“矿垫”,承受下落矿石的碰撞,在物料落到运输设备前,吸收下落矿物的大部分冲击力,有利于延长输送设备的寿命;
5、采用排料溜槽时,溜槽与水平面的夹角必须大于45°,在物料非常粘时,该倾角还要适当加大;
6、在机架底盖和排料室底部间以及排料口或溜槽与运输皮带或运输提升装置间要留有足够空间。这些空间将保证破碎产品畅通无阻地排出,防止排料在躯体下方堵塞,形成堆积,影响破碎机正常工作。
好了,以上就是本厂技术人员总结整理的复合圆锥破碎机安装时需要注意的七大事项,如果您对圆锥破碎机及其它相关产品有更多疑问,可以拨打本公司服务热线或在网站留言,欢迎您和我们交流破碎机的技术问题。
破碎机导购提醒:请从正规厂家购买设备,以便您在使用过程中得到优质的售后服务。
好了,以上就是本厂技术人员总结整理的复合圆锥破碎机安装时需要注意的七大事项,如果您对圆锥破碎机及其它相关产品有更多疑问,可以拨打本公司服务热线或在网站留言,欢迎您和我们交流破碎机的技术问题。
破碎机导购提醒:请从正规厂家购买设备,以便您在使用过程中得到优质的售后服务。
上海恒源冶金设备有限公司简介
上海恒源冶金设备有限公司自成立以来,一直专注于破碎机设备的研发、生产与销售,公司主营产品有圆锥破碎机、反击式破碎机、制砂机、磨粉设备、输送筛分设备及其配套备件等。位于江苏启东滨海工业园区的六万平米大型矿机生产基地,具备先进的数控加工设备和产品质检检测仪器,设备精度高、速度快,具有较强的生产能力,欢迎广大客户前来实地工厂考察或官网咨询,期待能与您长期合作,一起携手共赢!
设备价格咨询和采购途径:
恒源官网:
服务电话:网站首页或“联系我们”中的联系方式。
欢迎您来工厂参观访问
欢迎新老客户致电,预约参观,我们将为您提供完善的磨粉、碎石、制砂、矿石生产线成套设备解决方案,让专业的人做专业的事,让您我一起携手,共赢未来!
返回首页
砂石、水泥等处理超标,1吨以上罚款500元,运费一般上涨30%-50%,这个“冬天”不容易!
2019-11-09
【行业资讯】价钱“暴走”!沙石、混泥土、混凝土、煤碳公司上千篇一律价格上涨
2019-09-27
上海恒源集团董事长新年致辞视频
2020-04-07
使用细碎机的注意事项
2019-05-12
恒源集团网站助力破碎机销售业绩
2019-05-12
2025恒源路桥破碎设备改造升级,提升生产效率与设备性能
2024-11-26
单缸液压圆锥破碎机发往甘肃砂石场进行设备安装
2020-12-18
矿山开采一天都不能停!福建、湖北接连新批100多座矿山!石材人命运大转变!
2019-09-11
反击式破碎机原理视频
2020-04-07
“一刀切”停业整顿沙石等公司是一部分当地政府“现行政策不出北京中南海”的懒政、惰
2019-11-08
反击式破碎机使用过程中突然停止工作该怎么办?
2020-09-15
立轴冲击式破碎机设备简介及发货回顾
2020-05-15
钱荒背景下的破碎机厂家生存之道
2019-05-10
想不到建筑垃圾竟然有这么多变废为宝的“特异功能”?
2019-08-25
砂石人开矿、建厂必看!如何开办砂石厂?要办什么样的砂石厂?投资需要多少钱?
2019-08-25
上海恒源对现今破碎机械行业的描述
2019-05-12
上海破碎机-形势遏制上海破碎机需求2012年前三季
2019-05-12
12月2日最新矿石价格行业汇总!
2019-12-05
辉钼矿破碎生产线工艺流程详细介绍
2024-10-27
揭秘制砂机核心配件:作用及维护策略详解
2024-11-05






